• Scrubber chimic

Scrubber chimic

Scruberul chimic este un filtru de spălare avansat. Utilizează o structură specială și o suprafață specifică mare de ambalare obișnuită ca transfer de masă și ambalare de deshidratare. În același timp, în funcție de diferitele componente care provoacă mirosuri în miros, acidul, alcaliul și oxidantul corespunzător sunt utilizați ca lichid de spălare cu absorbție pentru a elimina mirosul din spațiu și pentru a elimina impactul asupra mediului înconjurător.

Fluxul de aer mirositor este transportat prin conducta de aer și intră în turn de la intrarea în turn. După ce a intrat în turn, acesta trece prin stratul de împachetare de jos în sus și, în cele din urmă, este evacuat de la ieșirea din partea superioară a conductei prin ventilatorul anticoroziv. Soluția de neutralizare trece prin separatorul de lichid din partea superioară a turnului, pulverizează uniform în stratul de umplutură, curge în jos de-a lungul suprafeței stratului de umplere până când este evacuată din partea de jos a turnului prin conductă și este circulată de pompa de circulație anticoroziune. Pe măsură ce concentrația de substanțe dizolvate în fluxul de aer în creștere devine din ce în ce mai scăzută, funcția de purificare este realizată atunci când ajunge în vârful turnului și este descărcată sau continuă să fie purificată prin următoarea etapă. Dimpotrivă, concentrația mediului în lichidul descendent devine din ce în ce mai mare, iar acesta atinge condițiile de proces atunci când ajunge la fundul turnului și este evacuat din turn.

Avantajele turnului de ambalare cu pulverizare: are eficiență ridicată, capacitate mică de reținere a lichidului, greutate redusă și operare ușoară, ceea ce permite lucrătorilor să înceapă imediat. Umplutura poate fi selectată în funcție de condițiile de lucru furnizate de client. Există multe tipuri, iar inelele cu bile rezistente la coroziune sunt utilizate în general. Cu toate acestea, trebuie remarcat faptul că materia solidă în suspensie poate înfunda umplutura datorită diametrului său mare de particule, deci nu este, în general, potrivită pentru tratarea materiei solide. De exemplu, NH₃, HCl, H₂S, oxizii de azot și gazele reziduale organice generate de fabrici pot fi tratate eficient cu acest echipament.

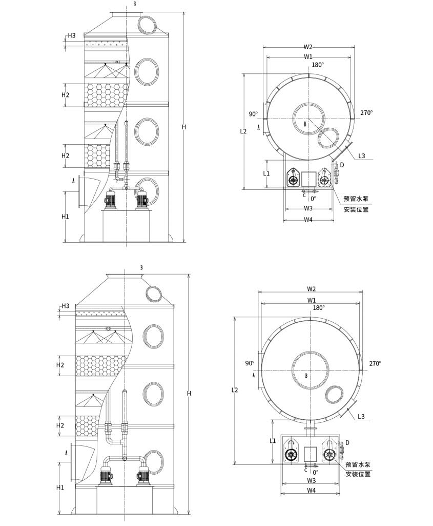
Structura scruberului chimic:
După cum se arată în figură: Sistemul complet de spălare cu pulverizare ambalată include următoarele componente:

1. Corpul turnului din foi PP (polipropilenă);

2. Cadru suport de ambalare din panouri de grătare PP;

3. Pulverizați țevi de legătură din UPVC;

4. Duze spiralate PP;

5. Ambalare cu bilă goală sau inel Pall;

6. Pompa de circulatie PP rezistenta la coroziune;

7. Strat de dezaburire plasă;

8. Dispozitive de completare a apei manuale si automate;

9. Conducte de preaplin și de scurgere;

10. Fereastra de inspecție.

Alegerea scruberului chimic:
Tabelul parametrilor tehnici al scrubberului cu pulverizare ambalat

Pentru a asigura confortul și siguranța transportului, scruberele cu pulverizare ambalate PP sunt împărțite în două tipuri:

Tip 1: Scruber de pulverizare cu rezervor de apă integrat (Diametrul turnului: Φ1000mm-Φ2200mm)

Tip 2: Scruber de pulverizare cu rezervor de apă de tip split (Diametrul turnului: Φ2500mm-Φ3500mm)


Specificațiile modelului corespunzătoare capacității fluxului de aer:

Model Volumul de aer Dimensiunea dispozitivului Puterea pompei de apă Grosimea umpluturii Viteza vântului Materialul echipamentului
LRTL-600 0-1500m³/h Φ600x3000 0,75 kW 500*2 1,48 m/s PP/304/Q235/FRP
LRTL-800 1501-2500m³/h Φ800x3000 0,75 kW 500*2 1,39 m/s PP/304/Q235/FRP
LRTL-1000 2501-4000m³/h Φ1000x5000 1,5kw 500*2 1,42 m/s PP/304/Q235/FRP
LRTL-1200 4001-6000m³/h Φ1200x5000 2,2kw 500*2 1,48 m/s PP/304/Q235/FRP
LRTL-1500 6001-9500m³/h Φ1500x5000 3,75 kW 500*2 1,5 m/s PP/304/Q235/FRP
LRTL-1800 9501-14000m³/h Φ1800x5000 5,5kw 500*2 1,53 m/s PP/304/Q235/FRP
LRTL-2000 14001-17000m³/h Φ2000x6000 5,5kw 500*2 1,5 m/s PP/304/Q235/FRP
LRTL-2200 17001-20000m³/h Φ2200x6000 7,5kw 500*2 1,46 m/s PP/304/Q235/FRP
LRTL-2500 20001-27000m³/h Φ2500x6000 7,5kw 500*2 1,53 m/s PP/304/Q235/FRP
LRTL-2800 27001-33000m³/h Φ2800x6000 15kw 500*2 1,49 m/s PP/304/Q235/FRP
LRTL-3000 33001-38000m³/h Φ3000x6800 15kw 500*2 1,49 m/s PP/304/Q235/FRP
LRTL-3200 38001-44000m³/h Φ3200x6800 15kw 500*2 1,52 m/s PP/304/Q235/FRP
LRTL-3500 44001-55000m³/h Φ3500x6800 15kw 500*2 1,5 m/s PP/304/Q235/FRP

Notă: Modelele non-standard pot fi personalizate în funcție de cerințele clientului.

Diagrama de selecție:

Hangzhou Lvran Environmental Protection Group Co., Ltd.

  • 1000+

    Clienții Departamentului de Servicii

  • 2000+

    Cazuri naționale de inginerie

Hangzhou Lvran Environmental Protection Group Co., Ltd. Este un furnizor complet de servicii de inginerie pentru sisteme de tratare a gazelor reziduale și producător de echipamente, care integrează cercetare și dezvoltare, servicii tehnice, proiectare, producție, instalare inginerească și servicii post-vânzare.

suntem China Scrubber chimic furnizor şi Angro Scrubber chimic Companie exportatoare. Grupul este o întreprindere națională de înaltă tehnologie, o întreprindere științifică și tehnologică din provincia Zhejiang, un centru regional de cercetare și dezvoltare și o unitate de credit cu rating AAA. Grupul deține peste 30 de brevete de model de utilitate, multiple brevete de invenție și drepturi de autor pentru software. Grupul are o cooperare pe termen lung în domeniul cercetării și dezvoltării tehnologice cu universități și instituții de cercetare autohtone, inclusiv „Centrul de Cercetare și Dezvoltare pentru Inovații în Domeniul Mediului”, înființat în comun cu Universitatea de Știință și Tehnologie Anhui, și „Centrul de Cercetare și Dezvoltare pentru Energie Plasmatică și Noi Tehnologii de Mediu”, înființat în comun cu Universitatea de Știință și Tehnologie Zhejiang. Grupul și-a stabilit propriile baze de cercetare și dezvoltare și de producție pentru a desfășura o cooperare tehnologică aprofundată. Grupul deține o tehnologie de bază pentru tratarea gazelor COV și deține o calificare de contractant general clasa a II-a pentru lucrări publice municipale de construcții, o licență de producție în condiții de siguranță, o calificare de proiectare specială clasa B pentru controlul poluării mediului în provincia Zhejiang, o calificare pentru servicii de forță de muncă neclasificată și o calificare specială de contractant profesional în inginerie. Grupul a trecut certificarea internațională a sistemului de management al calității ISO9001, certificarea sistemului de management de mediu ISO14001 și certificarea sistemului de management al sănătății și securității ocupaționale ISO45001.

Certificat de onoare

Următoarele distincții evidențiază realizările noastre remarcabile. Am câștigat clienți cu produse de înaltă calitate și am obținut laude din partea pieței și a tuturor sectoarelor societății pentru serviciile excelente.

  • O unitate de bază cu câmp electric ridicat de tip placă și un reactor pentru prevenirea scurgerilor de-a lungul suprafeței
  • Dispozitiv de reacție pentru sinteza metanolului folosind dioxid de carbon și apă și o metodă de sinteză a metanolului folosind dioxid de carbon și apă
  • Precipitator electrostatic cu autocuratare
  • Un ventilator de înaltă presiune rezistent la coroziune cu funcție de reglare a direcției vântului
  • Un ventilator de mare capacitate reglabil cu autocuratare
  • Sistem de control al pretratării gazelor de eșapament cu gazeificare catalitică combinată
  • Sistem de purificare și tratare a gazelor de eșapament în câmp electrostatic continuu de curățare cu abur
  • Sistem de echipamente de purificare a gazelor de eșapament cu fotoliză UV cu plasmă la temperatură joasă
  • Certificat de înregistrare a mărcii
Știri și evenimente recente
Împărtășesc cu tine
Vezi mai multe știri