Angro Cyclone Plate Wet Scrubber

  • Cyclone Plate Wet Scrubber

Cyclone Plate Wet Scrubber

Turnul de epurare cu ciclon are de obicei un corp de turn cilindric echipat cu plăci deflectoare spiralate. În timpul funcționării, gazele de ardere intră tangențial din partea de jos a turnului și curg în sus. Ghidat de lamele plăcilor deflectoare, gazul se învârte în spirală în sus, atomizând lichidul care curge în jos pe plăci în picături fine. Acest lucru creează o zonă mare de contact gaz-lichid. Picăturile sunt transportate de curentul de gaz și se rotesc, generând forță centrifugă care îmbunătățește interacțiunea gaz-lichid. În cele din urmă, picăturile sunt aruncate pe peretele turnului, curg în jos de-a lungul peretelui până la următoarea placă deflectoare și sunt re-atomizate de curentul de gaz pentru un contact suplimentar. După cum s-a descris, lichidul realizează un contact complet cu gazul, menținând în același timp o separare eficientă - minimizând antrenarea ceții. Capacitatea de încărcare gaz-lichid a acestui sistem este mai mult decât dublă față de plăcile deflectoare convenționale.

Condițiile excelente de contact gaz-lichid ale turnului asigură absorbția eficientă a gazelor reziduale de către lichidele alcaline. În plus, turnul de curățare cu ciclon demonstrează performanțe superioare de îndepărtare a prafului. Particulele de praf din gaz sunt captate de ceața de apă pe plăcile deflectoare spiralate, iar particulele și picăturile aruncate pe peretele turnului prin forța centrifugă sunt, de asemenea, îndepărtate eficient. Ca rezultat, gazul care iese din turn transportă praf și picături minime. Viteza vântului în turnul gol variază între 2,2–2,7 m/s.

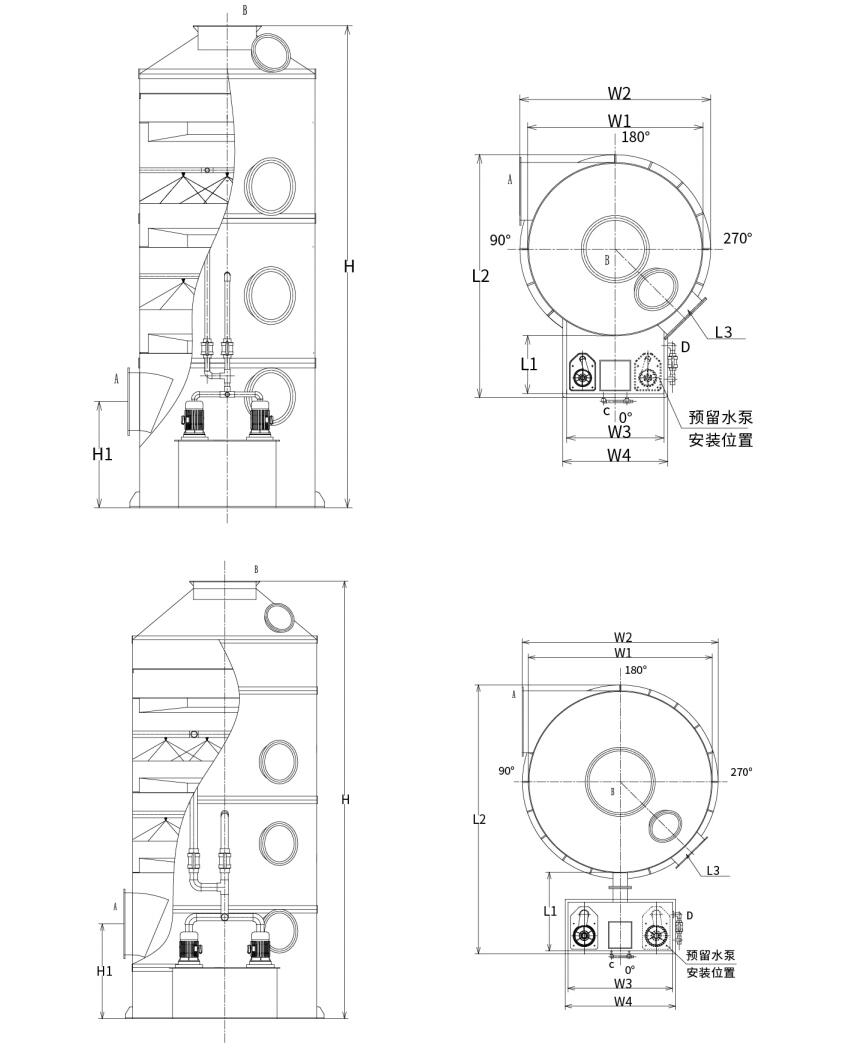
Structura turnului de pulverizare turbionară:
După cum se arată în figură: Sistemul complet de spălare cu pulverizare ambalată include următoarele componente:

● Corp turn din foi PP (polipropilenă);

● Cadru construit cu deflectoare spiralate din PP;

● Conducte de racord prin pulverizare din UPVC (policlorura de vinil neplastifiata);

● Duze spiralate PP;

● Pompa de circulatie PP rezistenta la coroziune;

● Strat de dezaburire (tip plasă/ciclon/deflectoare);

● Dispozitive de completare a apei manuale si automate;

● Conducte de preaplin si de scurgere;

● Fereastra de inspecție.

Parametri de selecție a turnului cu plăci ciclon:
Pentru a asigura confortul și siguranța transportului, turnurile de epurare cu ciclon PP sunt împărțite în două categorii de specificații:

Tip 1: Epurator ciclon integrat pentru rezervor de apă (Diametrul turnului: Φ1000mm-Φ2200mm)

Tip 2: Epurator ciclon pentru rezervor de apă de tip split (Diametrul turnului: Φ2500mm-Φ3500mm)


Modele de turn de curățare cu ciclon corespunzătoare capacității de flux de aer:

Model Gama de volum de aer Dimensiunea dispozitivului Puterea pompei de apă Numărul de lame turbionare Gama de viteză a vântului Materialul echipamentului
XL-600 0-2800m³/h Φ600×2950 0,75 kW 2 0-2,76 m/s PP/304/Q235/FRP
XL-800 3800-5000m³/h Φ800×3300 0,75 kW 2 2,11-2,77 m/s PP/304/Q235/FRP
XL-1000 6000-7500m³/h Φ1000×4380 1,5kw 2 2,13-2,66 m/s PP/304/Q235/FRP
XL-1200 8500-11000m³/h Φ1200×4430 2,2kw 2 2,09-2,71 m/s PP/304/Q235/FRP
XL-1500 14000-17000m³/h Φ1500×5000 3,75 kW 2 2,2-2,68 m/s PP/304/Q235/FRP
XL-1800 20000-25000m³/h Φ1800×5650 5,5kw 2 2,19-2,73 m/s PP/304/Q235/FRP
XL-2000 25001-30000m³/h Φ2000×6200 5,5kw 2 2,21-2,66 m/s PP/304/Q235/FRP
XL-2200 30001-37000m³/h Φ2200×6700 7,5kw 2 2,19-2,71 m/s PP/304/Q235/FRP
XL-2500 40000-47000m³/h Φ2500×6850 7,5kw 2 2,27-2,66 m/s PP/304/Q235/FRP
XL-2800 49000-58000m³/h Φ2800×7900 11kw 2 2,21-2,62 m/s PP/304/Q235/FRP
XL-3000 58000-68000m³/h Φ3000×8000 11kw 2 2,28-2,67 m/s PP/304/Q235/FRP
XL-3200 68000-78000m³/h Φ3200×8000 15kw 2 2,35-2,7 m/s PP/304/Q235/FRP
XL-3500 78000-88000m³/h Φ3500×8000 15kw 2 2,25-2,54 m/s PP/304/Q235/FRP

Notă: Modelele non-standard pot fi realizate în funcție de cerințele clientului.

Diagrama de selecție:

Hangzhou Lvran Environmental Protection Group Co., Ltd.

  • 1000+

    Clienții Departamentului de Servicii

  • 2000+

    Cazuri naționale de inginerie

Hangzhou Lvran Environmental Protection Group Co., Ltd. Este un furnizor complet de servicii de inginerie pentru sisteme de tratare a gazelor reziduale și producător de echipamente, care integrează cercetare și dezvoltare, servicii tehnice, proiectare, producție, instalare inginerească și servicii post-vânzare.

suntem China Cyclone Plate Wet Scrubber furnizor şi Angro Cyclone Plate Wet Scrubber Companie exportatoare. Grupul este o întreprindere națională de înaltă tehnologie, o întreprindere științifică și tehnologică din provincia Zhejiang, un centru regional de cercetare și dezvoltare și o unitate de credit cu rating AAA. Grupul deține peste 30 de brevete de model de utilitate, multiple brevete de invenție și drepturi de autor pentru software. Grupul are o cooperare pe termen lung în domeniul cercetării și dezvoltării tehnologice cu universități și instituții de cercetare autohtone, inclusiv „Centrul de Cercetare și Dezvoltare pentru Inovații în Domeniul Mediului”, înființat în comun cu Universitatea de Știință și Tehnologie Anhui, și „Centrul de Cercetare și Dezvoltare pentru Energie Plasmatică și Noi Tehnologii de Mediu”, înființat în comun cu Universitatea de Știință și Tehnologie Zhejiang. Grupul și-a stabilit propriile baze de cercetare și dezvoltare și de producție pentru a desfășura o cooperare tehnologică aprofundată. Grupul deține o tehnologie de bază pentru tratarea gazelor COV și deține o calificare de contractant general clasa a II-a pentru lucrări publice municipale de construcții, o licență de producție în condiții de siguranță, o calificare de proiectare specială clasa B pentru controlul poluării mediului în provincia Zhejiang, o calificare pentru servicii de forță de muncă neclasificată și o calificare specială de contractant profesional în inginerie. Grupul a trecut certificarea internațională a sistemului de management al calității ISO9001, certificarea sistemului de management de mediu ISO14001 și certificarea sistemului de management al sănătății și securității ocupaționale ISO45001.

Certificat de onoare

Următoarele distincții evidențiază realizările noastre remarcabile. Am câștigat clienți cu produse de înaltă calitate și am obținut laude din partea pieței și a tuturor sectoarelor societății pentru serviciile excelente.

  • O unitate de bază cu câmp electric ridicat de tip placă și un reactor pentru prevenirea scurgerilor de-a lungul suprafeței
  • Dispozitiv de reacție pentru sinteza metanolului folosind dioxid de carbon și apă și o metodă de sinteză a metanolului folosind dioxid de carbon și apă
  • Precipitator electrostatic cu autocuratare
  • Un ventilator de înaltă presiune rezistent la coroziune cu funcție de reglare a direcției vântului
  • Un ventilator de mare capacitate reglabil cu autocuratare
  • Sistem de control al pretratării gazelor de eșapament cu gazeificare catalitică combinată
  • Sistem de purificare și tratare a gazelor de eșapament în câmp electrostatic continuu de curățare cu abur
  • Sistem de echipamente de purificare a gazelor de eșapament cu fotoliză UV cu plasmă la temperatură joasă
  • Certificat de înregistrare a mărcii
Știri și evenimente recente
Împărtășesc cu tine
Vezi mai multe știri